测量导体电阻率的方法是通过一对引线强制电流流过样品,用另一对引线测量其电压降来决定已知几何尺寸的样品的电阻。
虽然,测量电阻率使用的具体方法决定于样品的大小和形状,但是所有的方法都需要使用灵敏的电压表和电流源或微欧姆计来进行测量,因为要测量的电阻一般都非常小。
方法一:四探针法(整块材料)
图1示出测试整块材料,如金属棒或金属条电阻率的系统,将电流源连到样品的两端,电压表的引线则按已知的距离放置。
根据样品的横截面积和电压表引线之间的距离计算出电阻率:其中, ρ=以厘米-欧姆为单位的电阻率;V=电压表测量的电压;I=电流源电流;A=以厘米2为单位的样品的横截面积(w×t) ;L=以厘米为单位的电压表引线之间的距离。

为了补偿热电动势的影响,在正向测试电流之下得到一个电压读数,再在负向测试电流之下得到另一个电压读数,将这两个电压读数的绝对值进行平均,并将其用在公式的VI中,大多数材料都具有很大的温度系数,所以一定要将样品保持在已知的温度之下进行测试。
方法二:四探针法(薄片材料)
四探针法用在非常薄的样品,例如晶圆片和导电涂层上。图2是四点铜线探针用于电阻率测量的配置图。电流从两个外部的探针加入,而电压降则在两个内部的探针之间测量。表面电阻率的计算公式为:

其中:σ=以欧姆/□ 为单位的表面电阻率,V=电压表测得的电压,I=电流源电流。

注意,表面电阻率的单位表达为欧姆,以区别于测量出的电阻(V/I)。对于极薄或极厚的样品,可能需要使用修正因子对电阻率的计算进行修正。
方法三:van der Pauw范德堡测量法
虽然范德堡van der Pauw电阻率测量法主要用于半导体工业,但是也可用于其它一些应用工作,例如:用来确定超导体或其它薄片材料的电阻率。
van der Pauw法用于扁平、厚度均匀、任意形状,而不含有任何隔离孔的样品材料。如图3所示,接触点应当很小,并且安放在样品的外围。

围绕样品进行8次测量。对这些读数进行数学组合来决定样品的平均电阻率。
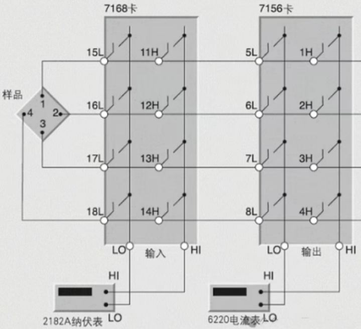
图4示出使用van der Pauw法决定导电样品电阻率的完整系统。
该系统包括用来提供流过样品的电流的6220型电流源和用来测量产生电压降的2182A型纳伏表。由7168 型纳伏卡和7156型通用卡组成的开关矩阵在四个样品端子上切换电压表和电流源。
这些开关卡必须按照图中所示进行连接。从7168卡到样品的连接必须使用不镀锡的铜线以便将热电动势降到最低。然后,必须将这些从7168卡的连接延伸到7156卡。7001型扫描器主机控制这些开关卡。

为了向端子3和4送入电流,应当闭合通道7L和4H。而测量端子 1和2之间的电压降则应当闭合通道15L和12H。 如果被测样品的电阻率范围很宽,可以用7065型霍尔效应卡来代替7168和7156扫描器卡。
有关van der Pauw法的更进一步的信息可以在ASTM标准F76中找到。
本文两次提及四探针法,足以说明其应用之广,若您正在寻找一台精度高、重复性好、操作直观且售后完善四探针测试仪,欢迎购买同创电子四探针测试仪!
联系我们
- 苏州同创电子有限公司
- 电话:133 8218 2805
- 官网:www.sztcdz.com





